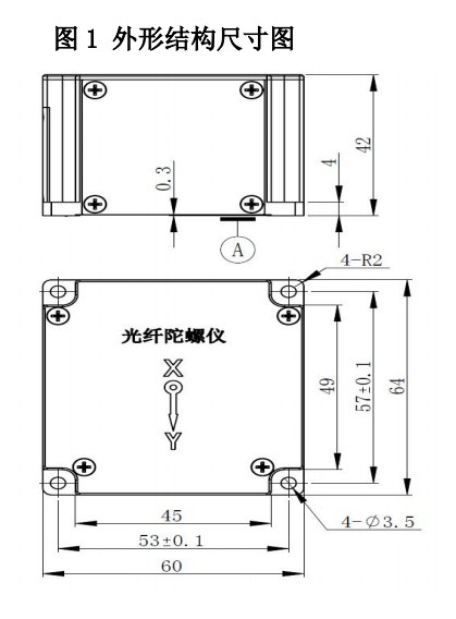
LKF-F2X64型双轴光纤陀螺仪
产品介绍
LKF-F2X64 是一款微型化的光纤陀螺仪,突破了传统光纤陀螺仪的经典设计理念,采用了一体化电路和光路设计,是控制领域中低精度角速率传感器的理想选择,被广泛应用于各种惯性测量及控制领域。在借鉴以往成熟产品设计基础上,针对工程化进行了诸多优化,利于批量生产,性价比极高。
LKF-F2X64 光纤陀螺仪具备体积小,重量轻,功耗低,接口简单,使用方便等突出特点,并且性价比优势显著,是导航,控制领域中角速率传感器的理想选择,被广泛应用于各种惯性测量及控制领域。
独特技术
利科夫公司是一家实现从光纤绕环设备、光纤环绕制、IMU 的电路、软件、IMU 测试标定设备全闭环的高新技术企业,通过对上下游工艺的全面把控,可以有效提高产品质量,降低系统成本。同时,公司执行 ISO9001 质量体系,并采用严格的工艺保证的产品性能的可靠性和一致性。

主要特点
• 微型紧凑设计
• 纯固态设计
• 环境适应强
• 高可靠性,超长寿命
• 全数字 RS-422 电气接口输出
应用领域
• 光电吊舱
• 飞控平台
• 光学/摄影平台
• 平台稳定装置
• 动中通
• 惯性测量单元
• 轻型无人机


光纤陀螺仪对外引出 J30-15ZK 插座,接点定义见表 2。

- 上一条: LKF-FS120H单轴中高精度光纤陀螺
- 下一条: LKF-F2X70双轴中高精度光纤陀螺


